• 首页
  • 产品▼
    SJ MOSFET SiC MOSFET SiC Diode SGT MOS IGBT IGBT Module SiC Module Wafer TMBS 样品申请
  • 应用领域▼
    应用方向 应用文档
  • 关于萃锦▼
    公司资讯 行业动态 质量体系 化学开封服务 参数测试
  • 加入我们▼
    招贤纳士 联系我们
中文|En
关于萃锦
PRESS
  • 萃锦“高效SiC器件”在充电模块中的解决方案
  • 48585048


    碳化硅器件助推充电桩革命,降本增效实现电动车快速充电

     

          汽车电动化趋势目前已经是一个全球共识,由此带来了充电桩行业的爆发式增长。同时,碳化硅功率器件作为第三代功率半导体技术,因其耐高压,高开关频率和耐高温等优势在充电桩行业中的大规模应用,也必将是大势所趋。

          伴随着海量的市场发展前景,充电模块自身也存在着一些技术挑战:如何在恶劣环境下保证工作的可靠性;如何提升整机效率以减小运营商成本;如何在有限的建设用地面积下提升桩的充电功率;如何提升充电速度以减少车主的充电焦虑等等。要解决这些充电行业中的痛点,越来越多的电力电子工程师开始寻求第三代功率半导体碳化硅解决方案。

          为了提升充电模块的功率密度、缩短充电时间并提升电能转换效率,作为国内较早进入碳化硅领域的萃锦半导体,推出了一系列针对充电桩行业的碳化硅解决方案。


    推荐方案

    应用原理图


    48585048


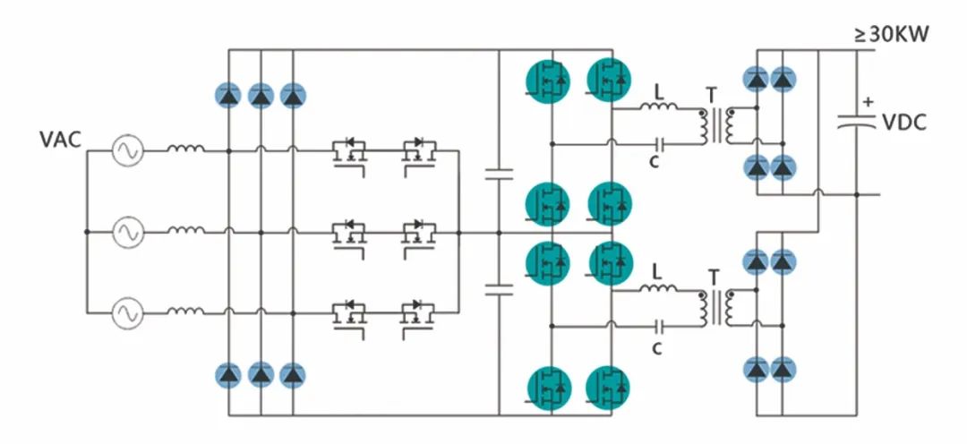
    经典拓扑图


    48585048

    0KW充电模块

    SiC MOSFET 方案


    48585048


    SiC Diode 方案


    48585048


    40KW充电模块

    SiC MOSFET方案


    48585048


    SiC Diode 方案


    48585048



    产品优势

    萃锦半导体SiC MOSFET优势

    • 较低的FOM

    • 功率密度增加

    • 减少冷却工作量

    • 更高系统可靠性,稳定性

    • 快速的体二极管

    • 强大的耐雪崩能力

    • 正向电压低

    • 更高频率适用性

    • 更高的系统效率

    • 较小的Eoss损耗能量

    • 极低的开关损耗

    • 开关速度快,芯片面积小,开关噪声小

    • 产品随着温度上升,Rds(on)幅度变化不大

    • 抗雪崩能力强,可以承受更大的浪涌电流

    • 高品质衬底,高质量的栅氧生长技术

    萃锦半导体SiC Diode优势

    • 正向电压低

    • 反向恢复电流较小

    • 175℃最高结温

    • 高浪涌电流能力

    • 反向恢复电流,不受关断速度和结温的影响



    品质保证

          为确保我们的产品品质可靠性,发货前我们的产品100%经过晶圆级老化和成品级老化测试,老化试验过程采用优化配方。先进的SiC MOSFET技术结合供应链垂直整合战略,确保我们的产品性能、成本结构和供货能力具有市场竞争力。

    关于萃锦半导体

          萃锦半导体是由数十位来自国内外知名半导体大厂,且在设计、工艺、应用、制造和营销方面拥有20多年经验的专家共同创立的,专业从事功率器件的研发、生产、销售和应用服务。公司联合韩国、日本和本土技术团队及芯片代工资源,产品主要包括600V至2000V范围的碳化硅 SiC MOSFET、硅基超结Si SJ MOS等分立器件,主要应用于新能源快速充电桩、光伏、储能、风电、工业驱动、新能源乘用车等场景和领域。

          公司在上海设立管理总部,在西安建有“电力电子应用中心”,在深圳、南京、宁波建有销售中心,制造基地位于长三角工业制造中心城市宁波慈溪高新区,42,000平米功率芯片制造厂房正在筹建中。   

     

    了解更多详情,请访问:www.bestirpower.com

    样品申请:021- 51097108,17321390308


    48585048


  • <前一个:热烈庆贺!萃锦半导体通过“高新技术企业”审核认定
    >后一个:萃锦“高效SiC器件”在电动汽车中的解决方案
  • 上海(研发/应用/销售中心)

    地址:长宁区协和路789号中山国际广场B座605室

    邮箱:inquiry@bestirpower.com

    电话:17321390308

  • 深圳(应用/销售中心)

    地址:龙岗区坂田街道天安云谷一期3栋C座1905室

  • 重庆(应用/销售中心)

       

  • 西安(应用/销售中心)

    地址:未央区凤城九路海博广场2516室

  • 宁波工厂(制造中心/销售中心)

    地址:慈溪高新技术产业开发区新兴一路1号

  • 武汉(应用销售中心)

       

微信扫码

关注萃锦

版权所有©️萃锦半导体 | 浙ICP备2022035651号-1