• 首页
  • 产品▼
    SJ MOSFET SiC MOSFET SiC Diode SGT MOS IGBT IGBT Module SiC Module Wafer TMBS 样品申请
  • 应用领域▼
    应用方向 应用文档
  • 关于萃锦▼
    公司资讯 行业动态 质量体系 化学开封服务 参数测试
  • 加入我们▼
    招贤纳士 联系我们
中文|En
关于萃锦
PRESS
  • 萃锦“高效SiC器件”在电动汽车中的解决方案
  • 45180907


    前言

     

          碳化硅(SiC)作为一种先进的半导体材料,其在电动汽车行业中的应用前景广阔。SiC器件在功率密度、效率、温度稳定性和开关速度等方面相较于传统硅基半导体具有显著优势,这些优势对于电动汽车行业的发展至关重要。

          首先,SiC器件具有高导热性,这意味着它们能够更有效地传导和散发热量,在电动汽车中,电力电子器件会产生大量热量,而SiC的高导热性有助于保持器件在高温环境下的性能稳定,从而提高电动汽车的可靠性。

          其次,SiC的击穿电压和导通电阻相较于硅有显著优势。这意味着SiC器件能够处理更高的电压和电流,同时降低功率损耗,这不仅有助于提高电动汽车的能源效率,还能减少能源浪费,从而降低碳排放。

          此外,SiC器件的开关速度快,开关损耗低。这使得电动汽车中的电力转换过程更加高效,进一步减少能量浪费,提高电动汽车的行驶里程。

          在电动汽车的具体应用方面,SiC器件广泛应用于逆变器、充电器等关键组件。逆变器是电动汽车动力系统中的核心组件,负责将电池的直流电转换为驱动电机所需的交流电。采用SiC逆变器可以显著提高功率密度和效率,减少体积和重量,从而减轻电动汽车的整体负担。充电器方面,SiC器件的应用可以提高充电速度和效率,缩短充电时间,提升用户体验。随着技术的不断进步和成本的降低,预计SiC材料将在电动汽车行业中得到更广泛的应用,其高功率密度、效率、温度稳定性和开关速度等优势,将有助于推动电动汽车行业的发展,减少碳排放,为环保事业做出贡献。

          总之,碳化硅(SiC)在电动汽车行业中具有巨大的应用潜力。通过提高器件的导热性、击穿电压和导通电阻,以及其对环保的潜在作用,SiC为电动汽车行业的发展提供了有力支持。随着技术的不断进步,预计SiC材料将在电动汽车行业中得到更广泛的应用,为未来的可持续发展做出重要贡献。


    45180907


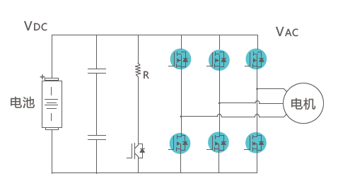
    电动汽车-电控单元

    应用原理


    45180907

    典型拓扑图


    45180907

    45180907



    电动汽车-OBC

    应用原理


    45180907


    典型拓扑图(1)


    45180907

    45180907

    典型拓扑图(2)

    45180907

    45180907


    电动汽车-空压机驱动器

    应用原理


    45180907

    典型拓扑图

    45180907


    45180907


    萃锦半导体SiC MOSFET优势

    ● 较低的FOM

    ● 功率密度增加

    ● 减少冷却工作量

    ● 更高系统可靠性,稳定性

    ● 快速的体二极管

    ● 强大的耐雪崩能力

    ● 正向电压低

    ● 更高频率适用性

    ● 更高的系统效率

    ● 较小的Eoss损耗能量

    ● 极低的开关损耗

    ● 开关速度快,芯片面积小,开关噪声小

    ● 产品随着温度上升,Rds(on)幅度变化不大

    ● 抗雪崩能力强,可以承受更大的浪涌电流

    ● 高品质衬底,高质量的栅氧生长技术

     

    品质保证

            为确保我们的产品品质可靠性,我们的产品100%经过晶圆级老化。先进的SiC MOSFET技术结合供应链垂直整合战略,确保我们的产品性能、成本结构和供货能力具有市场竟争力。

     

    关于萃锦半导体

             萃锦半导体是由数十位来自国内外知名半导体大厂,且在设计、工艺、应用、制造和营销方面拥有20多年经验的专家共同创立的,专业从事功率器件的研发、生产、销售和应用服务。公司联合韩国、日本和本土技术团队及芯片代工资源,产品主要包括 600V 至 2000V 范围的碳化硅 SiC MOSFET、碳化硅 SiC DIODE、硅基超结  Si SJ MOSFET 等分立器件和模块,主要应用于新能源快速充电桩、光伏、储能、风电、工业驱动、新能源乘用车等领域。

          公司在上海设立管理总部,在宁波和西安建有“电力电子研发和应用中心”,在深圳、南京、宁波建有销售中心,制造基地位于长三角工业制造中心城市宁波慈溪高新区,42,000平米功率芯片制造厂房正在筹建中。

     

    了解更多详情,请访问:www.bestirpower.com

    样品申请:021- 51097108,17321390308


    48877429


  • <前一个:萃锦“高效SiC器件”在充电模块中的解决方案
    >后一个:关于SiC功率器件的开关损耗
  • 上海(研发/应用/销售中心)

    地址:长宁区协和路789号中山国际广场B座605室

    邮箱:inquiry@bestirpower.com

    电话:17321390308

  • 深圳(应用/销售中心)

    地址:龙岗区坂田街道天安云谷一期3栋C座1905室

  • 重庆(应用/销售中心)

       

  • 西安(应用/销售中心)

    地址:未央区凤城九路海博广场2516室

  • 宁波工厂(制造中心/销售中心)

    地址:慈溪高新技术产业开发区新兴一路1号

  • 武汉(应用销售中心)

       

微信扫码

关注萃锦

版权所有©️萃锦半导体 | 浙ICP备2022035651号-1